泵的知識(shí) PUMP KNOWLEDGE
行業新聞
您(nín)當前位置(zhì):網站首頁 >> 泵的知(zhī)識 >> 詳情內容
YG型防爆氟橡膠(jiāo)合金機械密封銅葉輪管道油泵結構材料圖
時間:2013/5/3 來源(yuán):浙江香蕉视频网站江泵業有限公(gōng)司
YG型防(fáng)爆管道油泵(bèng)設計製造符合美國石油學會API610(一般煉廠用(yòng)離心泵標準)和GB3215-82《煉廠化工及石油化工流程(chéng)用離心泵通用技術條件(jiàn)》的有關規定。
1、可以不建泵房,在(zài)室外工作。
2、 進出口(kǒu)法蘭在同一中心線上,可直接安裝管路上,立式結構,機泵一體,占地麵積小,安(ān)裝十分方便。
3、 采用優質機械密封,毫無泄漏,有效的減少了泵房的油氣含量,心頭了工作環境提高了泵房(fáng)工作的安全可靠(kào)性(xìng)。
4、 選(xuǎn)用(yòng)防爆等級(jí)為DIIBT4的EX防爆電(diàn)動機。材質:鑄鐵、不鏽鋼。
1、可以不建泵房,在(zài)室外工作。
2、 進出口(kǒu)法蘭在同一中心線上,可直接安裝管路上,立式結構,機泵一體,占地麵積小,安(ān)裝十分方便。
3、 采用優質機械密封,毫無泄漏,有效的減少了泵房的油氣含量,心頭了工作環境提高了泵房(fáng)工作的安全可靠(kào)性(xìng)。
4、 選(xuǎn)用(yòng)防爆等級(jí)為DIIBT4的EX防爆電(diàn)動機。材質:鑄鐵、不鏽鋼。
YG立式管道油(yóu)泵產品特性
1、泵為(wéi)立(lì)式結構,進出口口徑相同,且位於(yú)同一中心線上,可(kě)象閥門一樣安裝於管路之中,外形緊湊美觀、占地麵積(jī)小、建築(zhù)投入低,如加上防護罩則可置於戶外使用(yòng)。
2、葉輪直接安在電機的加長軸上,軸向尺寸短,結構緊湊,泵與電機軸承配置合理(lǐ),能有效地平衡泵運轉產生的徑向和軸向負(fù)荷,從而保證了泵的運行平穩,振動噪音很低。
3、軸封采用機(jī)械(xiè)密封或機械密封組合,采用進口鈦合金密封環、中型耐高溫機械(xiè)密封和采用硬質合(hé)金材質、耐磨密封,能有效地增長機械密(mì)封的使用壽命。
4、安裝檢修方便(biàn),無需拆動管(guǎn)路係統,隻要卸下泵聯體座螺母即可(kě)抽出全部轉子部件。
5、可根據使用要求即流(liú)量和(hé)揚(yáng)程的需要采用泵的串、並聯運行方式。
6、可根據管路布置的要求采用(yòng)泵的豎式和橫(héng)式(shì)安裝。
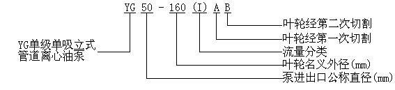
YG管道泵型號意義

管道(dào)離心泵結構材料圖

立式管道油泵結構圖


| YG防爆(bào)離心(xīn)油泵 | |||||||||
| 型 號 | 流 量Q | 揚程 m |
效率 % |
轉速 r/min |
電機功率 KW |
允許汽(qì)蝕餘量 m | |||
| m3/h | l/s | ||||||||
| 15-80 | 1.5 | 0.42 | 8 | 34 | 2800 | 0.18 | 2.3 | ||
| YG20-110 | 2.5 | 0.69 | 15 | 34 | 2800 | 0.37 | 2.3 | ||
| YG20-160 | 2.5 | 0.69 | 32 | 25 | 2900 | 0.75 | 2.3 | ||
| YG25-110 | 4 | 1.11 | 15 | 42 | 2900 | 0.55 | 2.3 | ||
| YG25-125 | 4 | 1.11 | 20 | 36 | 2900 | 0.75 | 2.3 | ||
| YG25-125A | 3.6 | 1.0 | 16 | 35 | 2900 | 0.55 | 2.3 | ||
| YG25-160 | 4 | 1.11 | 32 | 32 | 2900 | 1.5 | 2.3 | ||
| YG25-160A | 3.7 | 1.03 | 28 | 31 | 2900 | 1.1 | 2.3 | ||
| YG32-100 | 4.5 | 12.5 | 12.5 | 44 | 2900 | 0.55 | 2.3 | ||
| YG32-100(I) | 6.3 | 1.75 | 12.5 | 54 | 2900 | 0.75 | 2.3 | ||
| YG32-125 | 5 | 1.39 | 20 | 44 | 2900 | 0.75 | 2.3 | ||
| YG32-125A | 4.5 | 1.25 | 16 | 43 | 2900 | 0.55 | 2.3 | ||
| YG32-160 | 6.5 | 5 | 32 | 44 | 2900 | 1.5 | 2.3 | ||
| YG32-160A | 4 | 1.1 | 25 | 34 | 2900 | 1.1 | 2.0 | ||
| YG32-160(I) | 6.3 | 1.75 | 32 | 40 | 2900 | 2.2 | 2.0 | ||
| YG32-200 | 4.5 | 12.5 | 50 | 32 | 2900 | 3 | 2.0 | ||
| YG32-200(I) | 6.3 | 1.75 | 50 | 33 | 2900 | 4 | 2.0 | ||
| YG32-200A | 4 | 1.11 | 44 | 40 | 2900 | 2.2 | 2.0 | ||
| YG40-100 | 6.3 | 1.75 | 12.5 | 54 | 2900 | 0.55 | 2.3 | ||
| YG40100A | 5.6 | 1.56 | 10 | 52 | 2900 | 0.37 | 2.3 | ||
| YG40-125 | 6.3 | 1.75 | 20 | 46 | 2900 | 1.1 | 2.3 | ||
| YG40-125A | 5.6 | 1.56 | 16 | 45 | 2900 | 0.75 | 2.3 | ||
| YG40-160 | 6.3 | 1.75 | 32 | 40 | 2900 | 2.2 | 2.3 | ||
| YG40-160A | 5.9 | 1.64 | 28 | 39 | 2900 | 1.5 | 2.3 | ||
| YG40-160B | 5.5 | 1.53 | 24 | 38 | 2900 | 1.1 | 2.3 | ||
| YG40-200 | 6.3 | 1.75 | 50 | 33 | 2900 | 4 | 2.3 | ||
| YG40-200A | 5.9 | 1.64 | 44 | 31 | 2900 | 3 | 2.3 | ||
| YG40-200B | 5.3 | 1.47 | 36 | 29 | 2900 | 2.2 | 2.3 | ||
| YG40-250 | 6.3 | 1.75 | 80 | 28 | 2900 | 7.5 | 2.3 | ||
| YG40-250A | 5.9 | 1.64 | 70 | 28 | 2900 | 5.5 | 2.3 | ||
| YG40-250B | 5.5 | 1.53 | 60 | 27 | 2900 | 4 | 2.3 | ||
| YG40-100(I) | 12.5 | 3.47 | 12.5 | 62 | 2900 | 1.1 | 2.3 | ||
| YG40-100(I)A | 11 | 3.05 | 10 | 60 | 2900 | 0.75 | 2.3 | ||
| YG40-125(I) | 12.5 | 3.47 | 20 | 58 | 2900 | 1.5 | 2.3 | ||
| YG40-125(I)A | 11 | 3.05 | 16 | 57 | 2900 | 1.1 | 2.3 | ||
| YG40-160(I) | 12.5 | 3.47 | 32 | 52 | 2900 | 3 | 2.3 | ||
| YG40-160(I)A | 11.7 | 3.25 | 28 | 51 | 2900 | 2.2 | 2.3 | ||
| YG40-160(I)B | 10.4 | 2.89 | 22 | 50 | 2900 | 1.5 | 2.3 | ||
| YG40-200(I) | 12.5 | 3.47 | 50 | 46 | 2900 | 5.5 | 2.3 | ||
| YG40-200(I)A | 11.7 | 3.25 | 44 | 45 | 2900 | 4 | 2.3 | ||
| YG40-200(I)B | 10.6 | 2.94 | 36 | 44 | 2900 | 3 | 2.3 | ||
| YG40-250(I) | 12.5 | 3.47 | 80 | 38 | 2900 | 11 | 2.3 | ||
| YG40-250(I)A | 11.6 | 3.22 | 70 | 38 | 2900 | 7.5 | 2.3 | ||
| YG40-250(I)B | 10.8 | 3.0 | 60 | 37 | 2900 | 7.5 | 2.3 | ||
| YG40-250(I)C | 10.0 | 2.78 | 52 | 36 | 2900 | 5.5 | 2.3 | ||
| YG50-100 | 12.5 | 3.47 | 12.5 | 62 | 2900 | 1.1 | 2.3 | ||
| YG50-100A | 11 | 3.05 | 10 | 60 | 2900 | 0.75 | 2.3 | ||
| YG50-125 | 12.5 | 3.47 | 20 | 58 | 2900 | 1.5 | 2.3 | ||
| 型 號 | 流 量Q | 揚程 m |
效率 % |
轉速(sù) r/min |
電機功率 KW |
允許汽蝕餘量(liàng) m | |
| m3/h | l/s | ||||||
| YG50-125A | 11 | 3.05 | 16 | 57 | 2900 | 1.1 | 2.3 |
| YG50-160 | 12.5 | 3.47 | 32 | 52 | 2900 | 3 | 2.3 |
| YG50-160A | 11.7 | 3.25 | 28 | 51 | 2900 | 2.2 | 2.3 |
| YG50-160B | 10.4 | 2.89 | 22 | 50 | 2900 | 1.5 | 2.3 |
| YG50-200 | 12.5 | 3.47 | 50 | 46 | 2900 | 5.5 | 2.3 |
| YG50-200A | 11.7 | 3.25 | 44 | 45 | 2900 | 4 | 2.3 |
| YG50-200B | 10.6 | 2.94 | 36 | 44 | 2900 | 3 | 2.3 |
| YG50-250 | 12.5 | 3.47 | 80 | 38 | 2900 | 11 | 2.3 |
| YG50-250A | 11.6 | 3.22 | 70 | 38 | 2900 | 7.5 | 2.3 |
| YG50-250B | 10.8 | 3.0 | 60 | 37 | 2900 | 7.5 | 2.3 |
| YG50-250C | 10.0 | 2.78 | 52 | 36 | 2900 | 5.5 | 2.3 |
| YG50-100(I) | 25 | 6.94 | 12.5 | 69 | 2900 | 1.5 | 2.5 |
| YG50-100(I)A | 22.3 | 6.19 | 10 | 67 | 2900 | 1.1 | 2.5 |
| YG50-125(I) | 25 | 6.94 | 20 | 68 | 2900 | 3 | 2.5 |
| YG50-125(I)A | 22.3 | 6.19 | 16 | 66 | 2900 | 2.2 | 2.5 |
| YG50-160(I) | 25 | 6.94 | 32 | 63 | 2900 | 4 | 2.5 |
| YG50-160(I)A | 23.4 | 6.5 | 28 | 62 | 2900 | 4 | 2.5 |
| YG50-160(I)B | 21.6 | 6.0 | 24 | 58 | 2900 | 3 | 2.5 |
| YG50-200(I) | 25 | 6.94 | 50 | 58 | 2900 | 7.5 | 2.5 |
| YG50-200(I)A | 23.5 | 6.53 | 44 | 57 | 2900 | 7.5 | 2.5 |
| YG50-200(I)B | 21.8 | 6.06 | 38 | 55 | 2900 | 5.5 | 2.5 |
| YG50-250(I) | 25 | 6.94 | 80 | 50 | 2900 | 15 | 2.5 |
| YG50-250(I)A | 23.4 | 6.5 | 70 | 50 | 2900 | 11 | 2.5 |
| YG50-250(I)B | 21.6 | 6.0 | 60 | 49 | 2900 | 11 | 2.5 |
| YG50-315(I) | 25 | 6.94 | 125 | 40 | 2900 | 30 | 2.5 |
| YG50-315(I)A | 23.7 | 6.58 | 113 | 40 | 2900 | 22 | 2.5 |
| YG50-315(I)B | 22.5 | 6.25 | 101 | 39 | 2900 | 18.5 | 2.5 |
| YG50-315(I)C | 20.6 | 5.72 | 85 | 38 | 2900 | 15 | 2.5 |
| YG65-100 | 25 | 6.94 | 12.5 | 69 | 2900 | 1.5 | 2.5 |
| YG65-100A | 22.3 | 6.19 | 10 | 67 | 2900 | 1.1 | 2.5 |
| YG65-125 | 25 | 6.94 | 20 | 68 | 2900 | 3 | 2.5 |
| YG65-125A | 22.3 | 6.19 | 16 | 66 | 2900 | 2.2 | 2.5 |
| YG65-160 | 25 | 6.94 | 32 | 63 | 2900 | 4 | 2.5 |
| YG65-160A | 23.4 | 6.5 | 28 | 62 | 2900 | 4 | 2.5 |
| YG65-160B | 21.6 | 6.0 | 24 | 58 | 2900 | 3 | 2.5 |
| YG65-200 | 25 | 6.94 | 50 | 58 | 2900 | 7.5 | 2.5 |
| YG65-200A | 23.5 | 6.53 | 44 | 57 | 2900 | 7.5 | 2.5 |
| YG65-200B | 21.8 | 6.06 | 38 | 55 | 2900 | 5.5 | 2.5 |
| YG65-250 | 25 | 6.94 | 80 | 50 | 2900 | 15 | 2.5 |
| YG65-250A | 23.4 | 6.5 | 70 | 50 | 2900 | 11 | 2.5 |
| YG65-250B | 21.6 | 6.0 | 60 | 49 | 2900 | 11 | 2.5 |
| YG65-315 | 25 | 6.94 | 125 | 40 | 2900 | 30 | 2.5 |
| YG65-315A | 23.7 | 6.58 | 113 | 40 | 2900 | 22 | 2.5 |
| YG65-315B | 22.5 | 6.25 | 101 | 39 | 2900 | 18.5 | 2.5 |
| YG65-315C | 20.6 | 5.72 | 85 | 38 | 2900 | 15 | 2.5 |
| YG65-100(I) | 50 | 13.9 | 12.5 | 73 | 2900 | 3 | 3.0 |
| YG65-100(I)A | 44.7 | 12.4 | 10 | 72 | 2900 | 2.2 | 3.0 |
| YG65-125(I) | 50 | 13.9 | 20 | 72.5 | 2900 | 5.5 | 3.0 |
| 型 號 | 流 量Q | 揚程 m |
效率 % |
轉速 r/min |
電機功率 KW |
允許汽(qì)蝕餘量 m | |
| m3/h | l/s | ||||||
| YG65-125(I)A | 45 | 12.5 | 16 | 71 | 2900 | 4 | 3.0 |
| YG65-160(I) | 50 | 13.9 | 32 | 71 | 2900 | 7.5 | 3.0 |
| YG65-160(I)A | 46.7 | 13.0 | 28 | 70 | 2900 | 7.5 | 3.0 |
| YG65-160(I)B | 43.3 | 12.0 | 24 | 69 | 2900 | 5.5 | 3.0 |
| YG65-200(I) | 50 | 13.9 | 50 | 67 | 2900 | 15 | 3.0 |
| YG65-200(I)A | 47 | 13.1 | 44 | 66 | 2900 | 11 | 3.0 |
| YG65-200(I)B | 43.5 | 12.1 | 38 | 65 | 2900 | 7.5 | 3.0 |
| YG65-250(I) | 50 | 13.9 | 80 | 59 | 2900 | 22 | 3.0 |
| YG65-250(I)A | 46.7 | 13.0 | 70 | 59 | 2900 | 18.5 | 3.0 |
| YG65-250(I)B | 43.3 | 12.0 | 60 | 58 | 2900 | 15 | 3.0 |
| YG65-315(I) | 50 | 13.9 | 125 | 54 | 2900 | 37 | 3.0 |
| YG65-315(I)A | 46.5 | 12.9 | 110 | 54 | 2900 | 30 | 3.0 |
| YG65-315(I)B | 44.5 | 12.4 | 100 | 53 | 2900 | 30 | 3.0 |
| YG65-315(I)C | 41 | 11.4 | 85 | 51 | 2900 | 22 | 3.0 |
| YG80-100 | 50 | 13.9 | 12.5 | 73 | 2900 | 3 | 3.0 |
| YG80-100A | 44.7 | 12.5 | 10 | 72 | 2900 | 2.2 | 3.0 |
| YG80-125 | 50 | 13.9 | 20 | 72.5 | 2900 | 5.5 | 3.0 |
| YG80-125A | 45 | 12.5 | 16 | 71 | 2900 | 4 | 3.0 |
| YG80-160 | 50 | 13.9 | 32 | 71 | 2900 | 7.5 | 3.0 |
| YG80-160A | 46.7 | 13.0 | 28 | 70 | 2900 | 7.5 | 3.0 |
| YG80-160B | 43.3 | 12.0 | 24 | 69 | 2900 | 5.5 | 3.0 |
| YG80-200 | 50 | 13.9 | 50 | 67 | 2900 | 15 | 3.0 |
| YG80-200A | 47 | 13.1 | 44 | 66 | 2900 | 11 | 3.0 |
| YG80-200B | 43.5 | 12.1 | 38 | 65 | 2900 | 7.5 | 3.0 |
| YG80-250 | 50 | 13.9 | 80 | 59 | 2900 | 22 | 3.0 |
| YG80-250A | 46.7 | 13.0 | 70 | 59 | 2900 | 18.5 | 3.0 |
| YG80-250B | 43.3 | 12.0 | 60 | 58 | 2900 | 15 | 3.0 |
| YG80-315 | 50 | 13.9 | 125 | 54 | 2900 | 37 | 3.0 |
| YG80-315A | 46.5 | 12.9 | 110 | 54 | 2900 | 30 | 3.0 |
| YG80-315B | 44.5 | 12.4 | 100 | 53 | 2900 | 30 | 3.0 |
| YG80-315C | 41 | 11.4 | 85 | 51 | 2900 | 22 | 3.0 |
| YG80-350 | 50 | 13.9 | 150 | 66 | 2900 | 55 | 3.0 |
| YG80-350A | 44.5 | 12.4 | 142 | 65 | 2900 | 45 | 3.0 |
| YG80-350B | 41 | 11.4 | 135 | 62 | 2900 | 37 | 3.0 |
| YG80-100(I) | 100 | 27.8 | 12.5 | 76 | 2900 | 5.5 | 4.5 |
| YG80-100(I)A | 89 | 24.7 | 10 | 74 | 2900 | 4 | 4.5 |
| YG80-125(I) | 100 | 27.8 | 20 | 76 | 2900 | 11 | 4.5 |
| YG80-125(I)A | 89 | 24.7 | 16 | 74 | 2900 | 7.5 | 4.5 |
| YG80-160(I) | 100 | 27.8 | 32 | 76 | 2900 | 15 | 4.5 |
| YG80-160(I)A | 93.5 | 26.0 | 28 | 74 | 2900 | 11 | 4.5 |
| YG80-160(I)B | 86.6 | 24.1 | 24 | 72 | 2900 | 11 | 4.5 |
| YG80-200(I) | 100 | 27.8 | 50 | 74 | 2900 | 2 | 4.5 |
| YG80-200(I)A | 93.5 | 26.0 | 44 | 73 | 2900 | 18.5 | 4.5 |
| YG80-200(I)B | 87 | 24.2 | 38 | 71 | 2900 | 15 | 4.5 |
| YG80-250(I) | 100 | 27.8 | 80 | 69 | 2900 | 37 | 4.5 |
| YG80-250(I)A | 93.5 | 26.0 | 70 | 68 | 2900 | 30 | 4.5 |
| YG80-250(I)B | 87 | 24.2 | 60 | 66 | 2900 | 30 | 4.5 |
| YG80-315(I) | 100 | 27.8 | 125 | 66 | 2900 | 75 | 4.5 |
| 型 號 | 流 量Q | 揚程 m |
效率 % |
轉速 r/min |
電機功率 KW |
允許汽蝕餘量 m | |
| m3/h | l/s | ||||||
| YG80-315(I)A | 95 | 26.4 | 113 | 66 | 2900 | 55 | 4.0 |
| YG80-315(I)B | 90 | 25 | 101 | 65 | 2900 | 45 | 4.0 |
| YG80-315(I)C | 82 | 22.8 | 85 | 63 | 2900 | 37 | 4.0 |
| YG100-100 | 100 | 27.8 | 12.5 | 76 | 2900 | 5.5 | 4.5 |
| YG100-100A | 89 | 47 | 10 | 74 | 2900 | 4 | 4.5 |
| YG100-125 | 100 | 27.8 | 20 | 76 | 2900 | 11 | 4.5 |
| YG100-125A | 89 | 24.7 | 16 | 74 | 2900 | 7.5 | 4.5 |
| YG100-160 | 100 | 27.8 | 32 | 76 | 2900 | 15 | 4.5 |
| YG100-160A | 93.5 | 26.0 | 28 | 74 | 2900 | 11 | 4.5 |
| YG100-160B | 86.6 | 24.1 | 24 | 72 | 2900 | 11 | 4.5 |
| YG100-200 | 100 | 27.8 | 50 | 74 | 2900 | 22 | 4.0 |
| YG100-200A | 93.5 | 26.0 | 44 | 73 | 2900 | 18.5 | 4.0 |
| YG100-200B | 87 | 24.2 | 38 | 71 | 2900 | 15 | 4.0 |
| YG100-250 | 100 | 27.8 | 80 | 69 | 2900 | 37 | 4.0 |
| YG100-250A | 93.5 | 26.0 | 70 | 68 | 2900 | 30 | 4.0 |
| YG100-250B | 87 | 24.2 | 60 | 66 | 2900 | 30 | 4.0 |
| YG100-315 | 100 | 27.8 | 125 | 66 | 2900 | 75 | 4.0 |
| YG100-315A | 95 | 26.4 | 113 | 66 | 2900 | 55 | 4.0 |
| YG100-315B | 90 | 25 | 101 | 65 | 2900 | 45 | 4.0 |
| YG100-315C | 82 | 22.8 | 85 | 63 | 2900 | 37 | 4.0 |
| YG100-100(I) | 160 | 44.4 | 12.5 | 73 | 2900 | 11 | 4.5 |
| YG100-125(I) | 160 | 44.4 | 20 | 74 | 2900 | 15 | 4.5 |
| YG100-125(I)A | 140 | 39 | 17 | 72 | 2900 | 11 | 4.5 |
| YG100-160(I) | 160 | 44.4 | 32 | 32 | 2900 | 22 | 5.6 |
| YG100-160(I)A | 140 | 39 | 28 | 28 | 2900 | 18.5 | 5.0 |
| YG100-200(I) | 100 | 44.4 | 50 | 50 | 2900 | 37 | 5.2 |
| YG100-200(I)A | 140 | 39 | 45 | 45 | 2900 | 30 | 4.5 |
| YG100-200(I)B | 100 | 27.8 | 40 | 40 | 2900 | 22 | 4.5 |
| YG100-250(I) | 160 | 44.4 | 80 | 80 | 2900 | 55 | 4.8 |
| YG100-250(I)A | 39 | 72 | 72 | 2900 | 45 | 4.5 | |
| YG100-250(I)B | 100 | 27.8 | 65 | 65 | 2900 | 37 | 4.5 |
| YG100-350 | 100 | 27.8 | 150 | 150 | 2900 | 90 | 4.0 |
| YG100-350A | 87 | 24.2 | 142 | 142 | 2900 | 75 | 4.0 |
| YG100-350B | 82 | 22.8 | 135 | 135 | 2900 | 55 | 4.0 |
| YG125-100 | 160 | 44.4 | 12.5 | 12.5 | 2900 | 11 | 4.0 |
| YG125-100A | 143 | 39.7 | 10 | 10 | 2900 | 7.5 | 4.0 |
| YG125-125 | 160 | 44.4 | 20 | 20 | 2900 | 15 | 4.0 |
| YG125-125A | 143 | 39.7 | 16 | 16 | 2900 | 11 | 4.0 |
| YG125-160 | 160 | 44.4 | 32 | 32 | 2900 | 22 | 4.0 |
| YG125-160A | 150 | 41.7 | 28 | 28 | 2900 | 18.5 | 4.0 |
| YG125-160B | 138 | 38.3 | 24 | 24 | 2900 | 15 | 4.0 |
| YG125-200 | 160 | 44.4 | 50 | 50 | 2900 | 37 | 5.5 |
| YG125-200A | 150 | 41.7 | 44 | 44 | 2900 | 30 | 5.5 |
| YG125-200B | 138 | 38.3 | 37.5 | 37.5 | 2900 | 22 | 5.5 |
| YG125-250 | 160 | 44.4 | 80 | 80 | 2900 | 55 | 5.0 |
| YG125-250A | 150 | 41.7 | 70 | 70 | 2900 | 45 | 5.5 |
感(gǎn)謝您訪(fǎng)問我們(men)揚(yáng)子江泵業的網站www.a-vested-interest.com,如有任何水泵疑問我們一定會盡心盡力為您提供優質的服務。
相關產品











