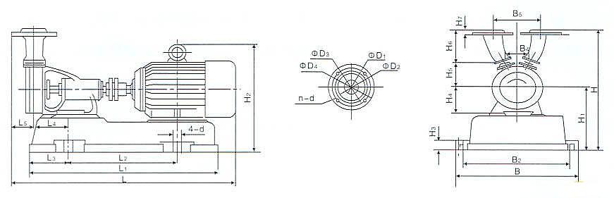
W型單級懸臂式旋渦泵安裝尺(chǐ)寸
時間:2011/4/13 來源:浙江香蕉视频网站江泵業有限公司
泵型號 |
L |
L1 |
L2 |
L3 |
L4 |
L5 |
B |
B3 |
B4 |
B5 |
H |
H1 |
H2 |
H3 |
H4 |
H5 |
H6 |
H7 |
D1 |
D2 |
D3 |
D4 |
4-d |
n-d |
20W-20 |
563 |
483 |
278 |
105 |
100 |
43 |
275 |
230 |
62 |
115 |
220 |
96 |
196 |
10 |
14 |
65 |
90 |
14 |
20 |
65 |
90 |
110 |
4-18 |
4-14 |
25W-25 |
570.5 |
483 |
278 |
105 |
100 |
45.5 |
275 |
230 |
62 |
115 |
256 |
105 |
200 |
10 |
14 |
75 |
100 |
14 |
25 |
75 |
90 |
110 |
4-18 |
4-14 |
32W-30 |
636 |
530 |
307 |
110 |
102.5 |
60 |
290 |
230 |
67 |
127 |
317 |
128 |
210 |
20 |
58 |
89 |
100 |
16 |
32 |
70 |
90 |
120 |
4-18 |
4-14 |
32W-75 |
711 |
585 |
350 |
110 |
102.5 |
60 |
360 |
230 |
62 |
132 |
350 |
155 |
313 |
20 |
85 |
90 |
105 |
16 |
32 |
70 |
90 |
120 |
4-18 |
4-14 |
40W-40 |
708.5 |
585 |
350 |
110 |
104.5 |
65 |
360 |
230 |
69 |
139 |
353 |
155 |
313 |
20 |
85 |
88 |
110 |
16 |
40 |
80 |
100 |
130 |
4-18 |
4-14 |
40W-90 |
824.5 |
691 |
420 |
115 |
110 |
70 |
390 |
230 |
80 |
160 |
390 |
185 |
360 |
20 |
90 |
90 |
120 |
18 |
40 |
80 |
110 |
140 |
4-18 |
4-14 |
50W-45 |
818 |
685 |
415 |
120 |
114 |
70 |
390 |
230 |
80 |
160 |
412 |
200 |
383 |
20 |
100 |
92 |
120 |
16 |
50 |
90 |
110 |
140 |
4-18 |
4-14 |
65W-50 |
965 |
772 |
485 |
120 |
120 |
80 |
440 |
245 |
87 |
177 |
451 |
220 |
445 |
20 |
100 |
101 |
130 |
16 |
65 |
110 |
130 |
160 |
4-18 |
4-14 |
- 下一篇:W型單(dān)級懸臂式旋渦泵(結(jié)構圖)
- 上一(yī)篇:什麽是(shì)泵的全性能測試台